成果一:宽量程、低功耗TMR检测芯片
针对电网中低压台区智能监测对大电流范围、低功耗磁传感芯片的需求,开发了宽量程低功耗TMR检测芯片。

制备了SOP-8封装的TMR芯片,开展了MEMS磁传感芯片产业化技术研究,协助企业建立了TMR芯片量产线,实现了实验室工艺开发到中试和量产线的转移。

量产芯片:线性范围± 250 Oe,非线性度<1%, 功耗<10μW, DFN2*2封装
成果二:零磁滞、抗干扰TMR计量芯片
针对智能电网在复杂电磁环境下对计量芯片高精度、高稳定性需求,通过构建复合自由层诱导磁涡旋畴,突破现有TMR传感器磁滞大、抗干扰能力不足的重大挑战,实现了零磁滞、抗干扰TMR计量芯片。

基于磁涡旋畴技术,设计并量产了高精度TMR计量芯片,在强电磁环境、雷电、瞬间过流等电力复杂工况下稳定性显著优于常规TMR芯片
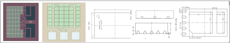
芯片版图及封装结构设计 
1T强磁场冲击前后性能对比
成果三:超高灵敏度磁电传感器
配电网分布式感知中存在故障特征识别难、误判率高等问题,每年的经济损失超百亿元,亟需开发配用电网“站-线-变-户”拓扑关系精准校核技术。
针对配电网分布感知对于超高灵敏度磁电传感器的需求,建立了非线性磁电耦合理论,开发了“磁-机-电”多物理场全耦合仿真方法,制备出基于微悬臂梁结构的磁电传感器,研制出μA级微弱电流传感模组。

噪声指数优于1 pT/Hz1/2@fr,电流检测极限<100 μA




