教授 博士生导师 硕士生导师
课题组目前主要研究方向:
各方向简介及代表性工作
(a) 电磁诱导透明(EIT)调控多波混频相互影响及其慢光现象
在对多波混频的产生过程调控方面,课题组利用电磁诱导透明 (EIT)现象中不同的吸收和辐射路径之间的量子相消和相涨干涉对其进行有效的调控。也就是利用强的耦合光使原子处于对探测光和多波混频信号的吸收均相消干涉的暗态,从而有效地提高多波混频信号的辐射效率。自从1990年以来,三和四能级原子系统中的EIT已得到了充分的研究。近共振EIT效应导致非常大的由原子相干诱导的三阶非线性,以及小的线性吸收,因而在三和四能级原子系统中导致高效的四波混频(FWM)过程。在典型情形下,高阶非线性系数将远小于低阶非线性系数,达到几个数量级,尤其是在利用连续毫瓦激光功率时,在以前大多数多能级原子系统中,实验上仅能观测到独立的低阶非线性多波混频过程。申请人在通过实现多波混频的共存,相互影响及其慢光现象方面,取得了一系列引人注目的进展。其在实验上首次在气体原子闭合四能级系统和特定的激光束配置下,使FWM和SWM过程以相近的信号幅度共存并能在闭合反V型四能级系统的同一个EIT窗口中共存传输[Appl. Phys. Lett. 91, 221108 (2007); Phys. Rev. A 74, 053813 (2006)]。在国际上,申请人首次在Y型[Zhang et al, Phys. Rev. Lett. 99, 123603 (2007)],反Y型四能级原子系统里,实验上产生出高效率的共存的FWM和SWM;首次在实验上观察到FWM和SWM信号之间的频率干涉[Opt. Lett. 32, 1120 (2007); Phys. Rev. A 73, 053801 (2006)]。申请人率先研究了Y型能级里共存的具有相同信号频率的两个四波混频信号之间由于共用着相同能级的原子相干而发生的强烈的相互竞争 [Appl. Phys. Lett. 91, 061113 (2007)]。其在实验上首次验证了产生于四能级原子系统(如反Y型)中处于同一个EIT窗口中的共存的FWM和SWM之间存在着高效率能量交换,发现它们足够长距离传播后,将分别趋于能量稳定状态[Zhang et al, Phys. Rev. A, Rapid Commun. 77, 061801 (2008)]。在此基础上,申请人进一步研究了低阶和高阶混频信号之间相位控制的时间空间立体干涉实验图谱[Zhang et al, Phys. Rev. Lett. 102, 013601 (2009)];研究了n+1能级原子系统中不同阶的多波混频间的同时共存和相互作用[OE 15, 7182 (2007)]。在复杂的五能级系统中,我们课题组研究了三种双缀饰机制(并联,级联和嵌套缀饰)对FWM的量子调控[Phys. Rev. A 78, 063829 (2008)]。利用EIT对共存的多波混频过程的产生和相互作用的调控,必然会对设计,优化和控制理想的多通道全光非线性器件有很大作用,具有相当重要的科学意义和应用价值。通过EIT研究共存的多波混频之间的相互作用为通过EIT实现多波混频在量子层面上的调控奠定了良好的基础。
[1] Yanpeng Zhang, Utsab Khadka, Blake Anderson, and Min Xiao, "Temporal and spatial interference between four-wave mixing and six-wave mixing channels", Phys. Rev. Lett. 102, 013601 (2009).
[2] Yanpeng Zhang, Blake Anderson, Min Xiao, "Efficient energy transfer between four-wave-mixing and six-wave-mixing processes via atomic coherence", Phys. Rev. A, Rapid Commun. 77, 061801 (2008).
[3] Yanpeng Zhang, Andy W. Brown, and Min Xiao, "Matched ultraslow propagation of highly efficient four-wave mixing in a closely-cycled double-ladder system", Phys. Rev. A 74, 053813 (2006).
[4] Yanpeng Zhang and Min Xiao, "Enhancement of six-wave mixing by atomic coherence in a four-level inverted-Y system", Appl. Phys. Lett. 90, 111104 (2007).
[5] Yanpeng Zhang, Andy W. Brown, and Min Xiao, "Observation of interference between four-wave mixing and six-wave mixing", Opt. Lett. 32, 1120 (2007).
[6] Yanpeng Zhang and Min Xiao, "Generalized dressed and doubly-dressed multi-wave mixing", Opt. Express 15, 7182 (2007).
[7] Yanpeng Zhang, Andy W. Brown, Chenli Gan, and Min Xiao, "Intermixing between four-wave mixing and six-wave mixing via atomic coherence", J. Phys. B 40, 3319 (2007).
[8] Yanpeng Zhang, Blake Anderson, Andy W. Brown, and Min Xiao, "Competition between two four-wave mixing channels via atomic coherence", Appl. Phys. Lett. 91, 061113 (2007).
[9] Yanpeng Zhang, Andy W. Brown, and Min Xiao, "Opening four-wave mixing and six-wave mixing channels via dual induced transparency", Phys. Rev. Lett. 99, 123603 (2007).
[10] Yanpeng Zhang, Utsab Khadka, Blake Anderson, Andy W. Brown, and Min Xiao, "Controlling four-wave and six-wave mixing processes in multi-level atomic systems", Appl. Phys. Lett. 91, 221108 (2007).
[11] Yanpeng Zhang, Blake Anderson, and Min Xiao, "Coexistence of four-wave, six-wave and eight-wave mixing processes in multi-dressed atomic systems", J. Phys. B 41, 045502 (2008).
[12] Z. Q. Nie, H. B. Zheng, P. Z. Li, Y. M. Yang, Y. P. Zhang and M. Xiao, "Interacting multiwave mixing in a five-level atomic system", Phys. Rev. A 78, 063829 (2008).
[13] Blake Anderson, Yanpeng Zhang, Utsab Khadka, and Min Xiao, "Spatial Interference between Generated Four-wave Mixing and Six-wave Mixing Signals", Opt. Lett. 33, 2029 (2008).
[14] Gaoping Huang, Yiqi Zhang, Zhaoyang Zhang, Xin Yao, Junling Che, Huaibin Zheng, and Yanpeng Zhang, “Evidence of Autler-Townes splitting in fluorescence and six-wave mixing with multi-electromagnetically induced transparency”, J. Opt. Soc. Am. B 30, 2563 (2013).
[15] Zhiguo Wang, Zhaoyang Zhang, Junling Che, Yunzhe Zhang, Changbiao Li, Huaibin Zheng and Yanpeng Zhang, “Controllable ultra-narrow fluorescence and six-wave mixing under double electromagnetically induced transparency”, Laser Phys. Lett. 10, 095402 (2013).


(b)明暗态调控多通道多波混频与共振荧光
[1] Z.Y. Zhao, Z.G. Wang , P.Y. Li, G.P. Huang, N. Li, Y.Q. Zhang, Y.Q. Yan, and Y. P. Zhang, "Opening Fluorescence and Four-Wave Mixing via Dual Electromagnetically Induced Transparency Windows", Laser Phys. Lett. 9, 802 (2012).
[2] Yanpeng Zhang, Zhiqiang Nie, Zhiguo Wang, Changbiao Li, Feng Wen, and Min Xiao, "Evidence of Autler-Townes Splitting in High-Order Nonlinear Processes", Opt. Lett. 35, 3420 (2010).
[3] Yanpeng Zhang, Peiying Li, Huaibin Zheng, Zhiguo Wang, Haixia Chen, Changbiao Li, Ruyi Zhang and Min Xiao,"Observation of Autler-Townes splitting in six-wave mixing", Opt. Express 19,7769 (2011).
[4] Peiying Li, Zhengyang Zhao, Zhiguo Wang, Yiqi Zhang, Huayan Lan, Haixia Chen, Huaibin Zheng, and Yanpeng Zhang, "Phase control of bright and dark states in four-wave mixing and fluorescence channels", Appl. Phys. Lett. 101, 081107 (2012).
[5] Yaqi Yan, Zhenkun Wu, Jinhai Si, Lihe Yan, Yiqi Zhang, Chenzhi Yuan, Jia Sun, and Yanpeng Zhang, “Investigations on Odd-Order Nonlinear Susceptibilities in Atomic Vapors” , Annals of Physics 333, 307 (2013).
[6] Huaibin Zheng, Xun Zhang, Jia Sun, Changbiao Li, Zhaoyang Zhang, Haixia Chen and Yanpeng Zhang, "Dressed Four-wave mixing from upper branch in a sodium atomic vapor", IEEE J. Quantum Electron. 49, 122 (2013).
[7] Changbiao Li, Huaibin Zheng, Yanpeng Zhang, Zhiqiang Nie, Jianping Song, and Min Xiao, "Observation of enhancement and suppression of four-wave mixing processes", Appl. Phys. Lett. 95, 041103 (2009).
[8] Huaibin Zheng, Yanpeng Zhang, Utsab Khadka, Ruimin Wang, Changbiao Li, Zhiqiang Nie, and Min Xiao, "Modulating the multi-wave mixing processes via the polarizable dark states", Opt. Express 17, 15468 (2009).
[9] Zhiguo Wang, Yanpeng Zhang, Haixia Chen, Zhenkun Wu, Yuxin Fu, and Huaibin Zheng, "Enhancement and suppression of two coexisting six-wave mixing processes", Phys. Rev. A 84, 013804 (2011).
[10] Zhiguo Wang, Peiying Li, Huaibin Zheng, Suling Sang, Ruyi Zhang, Yanpeng Zhang, and Min Xiao, "Interference of three multi-wave mixings via electromagnetic induced transparency", J. Opt. Soc. Am. B 28, 1922 (2011).
[11] Yuanyuan Li, Gaoping Huang, Dan Zhang, Zhenkun Wu, Yiqi Zhang, and Yanpeng Zhang, “Density control of dressed four-wave mixing and super-fluorescence”, IEEE J. Quantum Electron. 50, 25 (2014). (Selected as Front Cover of JQE)
[12] Utsab Khadka, Yanpeng Zhang, and Min Xiao, "Control of multi-transparency windows via dark-state phase manipulation", Phys. Rev. A 81, 023830 (2010).
[13] Zhiqiang Nie, Yanpeng Zhang, Yan Zhao, Chenzhi Yuan, Changbiao Li, Rui Tao, Jinhai Si and Chenli Gan, "Enhancing and suppressing four-wave mixing in electromagnetically induce transparency window", J. Raman Spectrosc. 42, 1 (2011).
[14] Changbiao Li, Yanpeng Zhang, Zhiqiang Nie, Yigang Du, Ruimin Wang, Jianping Song, and Min Xiao, "Controlling enhancement and suppression of four-wave mixing via polarized light", Phys. Rev. A 81, 033801 (2010).
[15] Huaibin Zheng, Utsab Khadka, Jianping Song, Yanpeng Zhang, and Min Xiao, "Measurement of ac-Stark Shift by a Two-Photon Dressing Process via Four-Wave Mixing", Europhys. Lett. 93, 23002 (2011).
[16] Ning Li, Zhengyang Zhao, Haixia Chen, Peiying Li, Yueheng Li, Yan Zhao, Guozhen Zhou, Shuqiao Jia, Yanpeng Zhang, "Observation of dressed odd-order multi-wave mixing in five-level atomic medium", Opt. Express 20, 1912 (2012).
[17] Zhiguo Wang, Huaibin Zheng, Haixia Chen, Peiying Li, Suling Sang, Huayan Lan, Changbiao Li, Yanpeng Zhang, "Polarized Suppression and Enhancement of Six-wave Mixing in Electromagnetically Induced Transparency Window", IEEE J. Quantum Electron. 48, 669 (2012).
[18] Peiying Li, Huaibin Zheng, Yiqi Zhang, Jia Sun, Changbiao Li, Gaoping Huang, Chaoyang Zhang, Yuanyuan Li, and Yanpeng Zhang, “Controlling the transition of bright and dark states via scanning dressing field”, Opt. Materials 35, 1062 (2013).
[19] Zhenkun Wu, Chenzhi Yuan, Zhaoyang Zhang, Huaibin Zheng, Shuli Huo, Ruyi Zhang, Ruimin Wang, Yanpeng Zhang, "Observation of eight-wave mixing via electromagnetically induced transparency", Europhys. Lett. 94, 64005 (2011).
[20] Ruimin Wang, Zhenkun Wu, Suling Sang, Jianping Song, Huaibin Zheng, Zhiguo Wang, Changbiao Li, and Yanpeng Zhang, "Coexisting polarized four-wave mixings in two-level atomic system", J. Opt. Soc. Am. B 28, 2940 (2011).
[21] Changbiao Li, Yanpeng Zhang, Huaibin Zheng, Zhiguo Wang, Haixia Chen, Suling Sang, Ruyi Zhang, Zhenkun Wu, Liang Li, Peiying Li,"Controlling cascade dressing interaction of four-wave mixing image", Opt. Express 19,13675 (2011).
[22] Zhiguo Wang, Zhengyang Zhao, Peiying Li, Jiamin Yuan, Huayan Lan, Huaibin Zheng, Yiqi Zhang, and Yanpeng Zhang, “Observation of angle-modulated switch between enhancement and suppression of nonlinear optical processes”, Opt. Express 21, 5654 (2013).
[23] Zhiguo Wang, Peiying Li, Zhaoyang Zhang, Chengjun Lei, Furong Lei, Haixia Chen, and Yanpeng Zhang, “Comparison of Ultra-narrow Fluorescence and Four-wave Mixing in Electromagnetically Induced Transparency Windows”, IEEE Photonics J. 5, 2600311 (2013).
[24] Jia Sun, Peiying Li, Gaoping Huang, Yunzhe Zhang, Dan Zhang, Hao Tian, Heqing Huang, and Yanpeng Zhang, “Comparison of two two-photon dressed rules in multi-wave mixing”, IEEE Photonics J. 6, 6100109 (2014).

FWM 抑制增强的演化图 FWM一级与二级AT 分裂
(c) 光子带隙调控多波混频离散空间孤子
我们率先发现对多波混频的调控不仅可以在频域进行,而且可以在空间域中进行。当多波混频信号在传输过程中的非线性和固有的衍射互相抵消时,其就可以形成空间孤子。但是空间孤子的形成要求有很强的非线性。为此申请人立足于在EIT增强非线性方面的长足优势,利用在相位共轭多波混频配置中的多波混频信号与多束泵浦光之间较大的空间交叠面积这一特点,使泵浦光的耦合效应造成的EIT对多波混频信号的非线性自Kerr和交叉Kerr系数得到明显的增强,进而有效增强多波混频信号的空间非线性调制,最终形成空间孤子。同时,频率相同的缀饰场之间由于具有一定的夹角,因而其可以通过干涉诱导出电磁诱导光栅,产生光子带隙,从而在通过光子带隙的反射产生多波混频的同时在空间上周期性地调制多波混频信号,使其具有周期性的强度分布,形成离散空间孤子。申请人提出的实验方案中的空间孤子有四种良好的调控特性。首先,通过改变探测光场和缀饰光场的失谐量,强度等光学参量,可以有效地改变明态和暗态的共振位置或使系统在明态和暗态共振之间进行转换,实现非线性自Kerr和交叉Kerr系数的数值和符号调控,进而使多波混频信号具有可调控的聚焦和散焦非线性。特别是利用Kerr效应,可以使多波混频光束在空间上由于交叉相位调制效应而产生移动、分裂和旋转特性,利用该特性可以定量测量出交叉Kerr折射率并观测到强泵浦场对该折射率的增强效应[Zhang et. al., Phys. Rev. A 80, 013835 (2009); Phys. Rev. A 80, 055804 (2009)]。基于这种空间调制效应,申请人在实验上对全光开关,路由和波分复用进行了原理性研究[OE 18, 899 (2010)]。其次,该实验方案中存在多束缀饰场,它们可以相互干涉形成多对可调控的光栅状和涡旋状的空间干涉强度分布模式,进而诱导出具有空间周期性折射率分布的电磁诱导光栅(EIG)和具有空间涡旋状折射率分布的相位模板。对于前者,由于EIG中的光子带隙,探测光在传播过程中将产生明显的布拉格反射,多波混频信号作为这种反射信号,其将产生空间周期性的调制,进而形成偶极[Phys. Rev. Lett. 106, 093904 (2011)],带隙[Phys. Rev. A 82, 053837 (2010)]空间孤子。对于后者,四波混频的强度和相位则可以被诱导出空间涡旋分布的模式,形成涡旋孤子[OE 18, 10963 (2010)]。通过控制明态和暗态共振,申请人实现了对EIG的折射率对比度的控制,从而可以有效调控光子带隙的宽度。同样通过控制明态和暗态共振,涡旋相位模板中的相位分布也可以得到有效调控。在理论上,申请人课题组还提出了利用这种EIG来实现Talbot自成像的方法。申请人课题组还利用共存的八个四波混频信号,在实验上产生了八分量的空间孤子[OE 20, 14168 (2012)]和全光循环器[Laser Phys. Lett. (2014)]。申请人关于涡旋孤子的成果被德国耶拿大学光学与量子电子学研究中心的Ch.Spielmann教授在国际顶级物理学刊物[Nature Phys 8, 743 (2012)]中引用并做具体评价。第三,在该实验方案中,由于存在两组缀饰场,因而其可以诱导出结构和空间取向可调的两个电磁诱导光栅。在一种空间取向下,得到了由两个四波混频信号组成的空间取向垂直的孤子对;而在另一种取向下,两个电磁诱导光栅可以有效地组成一个电磁诱导晶格(EIL),其具有空间二维周期性的折射率分布,因而形成了具有二维周期性强度调制的晶格孤子[Laser Phys. Lett. 10, 055406 (2013)],进而获得多光束干涉Dirac锥导致的光子拓扑绝缘体。当调节探测场和缀饰场的失谐,使得EIA条件得到满足时,EIG和EIL的折射率对比度很大,这种EIA光子带隙具有很大的带隙宽度,且此时多波混频信号可以得到最大的增强。这种条件下,可以得到具有很高稳定性的多波混频光孤子。第四,在申请人提出的研究系统中,还存在着不同阶非线性之间的竞争。该课题组利用一阶与三阶非线性的竞争,在理论上获得了多核且稳定的涡旋孤子的完整演化[Opt. Lett. 37, 4507(2012)]。
[1] Yanpeng Zhang, Zhiguo Wang, Zhiqiang Nie, Changbiao Li, Haixia Chen, Keqing Lu, and Min Xiao, "Four-wave mixing dipole solitons in laser-induced atomic gratings", Phys. Rev. Lett. 106, 093904 (2011).
[2] Yanpeng Zhang, Chenzhi Yuan, Yiqi Zhang, Huaibin Zheng, Haixia Chen, Changbiao Li, Zhiguo Wang, and Min Xiao, “Surface solitons of four-wave mixing in electromagnetically induced lattice”, Laser Phys. Lett. 10, 055406 (2013).
[3] R. M. Wang, J. L. Che, X. P. Wang, H. Y. Lan, Z. K. Wu, Y. Q. Zhang, and Y. P. Zhang, “Controllable optical vortexon of four-wave mixing and the applications”, Laser Phys. Lett. (accepted). (SCI Impact Factor: 9.97).
[4] Yiqi Zhang, Milivoj R. Belic, Zhenkun Wu, Chenzhi Yuan, Ruimin Wang, Keqing Lu, and Yanpeng Zhang, “Multicharged optical vortices induced in a dissipative system”, Phys. Rev. A 88, 013847 (2013). (PRA Kaleidoscope Images: July 2013)
[5] Zhenkun Wu, Yiqi Zhang, Chenzhi Yuan, Feng Wen, Huaibin Zheng, Yanpeng Zhang, “Cubic-quintic condensate solitons in four-wave mixing” , Phys. Rev. A 88(6), 063828 (2013).
[6] Ruimin Wang , Zhenkun Wu, Yiqi Zhang, Chaoyang Zhang, Chenzhi Yuan, Huaibin Zheng, Yuanyuan Li, Jinhai Zhang, and Yanpeng Zhang, "Observation of multi-component spatial vector solitons of four-wave mixing", Opt. Express 20, 14168 (2012).
[7] Yiqi Zhang, Zhenkun Wu, Chenzhi Yuan, Xin Yao, Keqing Lu, Milivoj Belic, and Yanpeng Zhang, "Optical vortices induced in nonlinear multi-level atomic vapors", Opt. Lett. 37, 4507(2012).
[8] Suling Sang, Huaibin Zheng, Zhiguo Wang, Feng Wen, Yiqi Zhang, Peiying Li, Changbiao Li, Yanpeng Zhang, "Multi-dressing Interaction of Four-wave Mixing Image in Three-level Atomic System", J. Opt. Soc. Am. B 29, 1920 (2012).
[9] Jin Li, Wenbo Liu, Liang Li, Yan Zhao, Hua Liu, Taikun Liu, Huaibin Zheng, and Yanpeng Zhang, "All-optical Routing and Space Demultiplexer via Four-wave Mixing Spatial Splitting ", Appl. Phys. B 106, 365(2012).
[10] Yanpeng Zhang, Zhiguo Wang, Huaibin Zheng, Chenzhi Yuan, Changbiao Li, Keqing Lu, and Min Xiao, "Four-wave mixing gap solitons", Phys. Rev. A 82, 053837 (2010).
[11] Changbiao Li, Suling Sang, Yiqi Zhang, Jia Sun, Zhaoyang Zhang, Xuyang Wang, Huaibin Zheng, Yuanyuan Li, and Yanpeng Zhang, "Spatial Interplay of Two Four-Wave Mixing Images", J. Opt. Soc. Am. B 29, 3015 (2012).
[12] Suling Sang, Zhenkun Wu, Jia Sun, Huayan Lan, Yiqi Zhang, Xun Zhang, Yanpeng Zhang, "Observation angle switching of dressed four wave mixing images", IEEE Photonics J. 4, 1973 (2012).
[13] Yiqi Zhang, Xin Yao, Chenzhi Yuan, Peiying Li, Jiamin Yuan, Weikang Feng, Shuqiao Jia, and Yanpeng Zhang, "Controllable multi-wave mixing Talbot effect", IEEE Photonics J. 4, 2057 (2012).
[14] Yanpeng Zhang, Zhiqiang Nie, Yan Zhao, Changbiao Li, Ruimin Wang, Jinhai Si, and Min Xiao, "Modulated vortex soliton of Four-wave mixing", Opt. Express 18, 10963 (2010).
[15] Yanpeng Zhang, Cuicui Zuo, Huaibin Zheng, Changbiao Li, Zhiqiang Nie, Jianping Song, and Min Xiao, "Controlled spatial beamsplitter using four-wave mixing images", Phys. Rev. A , Brief Report, 80, 055804 (2009).
[16] Yanpeng Zhang, Zhiqiang Nie, Huaibin Zheng, Changbiao Li, Jianping Song, and Min Xiao, "Electromagnetically-Induced Spatial Nonlinear Dispersion in Four-wave Mixing", Phys. Rev. A 80, 013835 (2009).
[17] Zhiqiang Nie, Huaibin Zheng, Yanpeng Zhang, Yan Zhao, Cuicui Zuo, Changbiao Li, Hong Chang, and Min Xiao, "Optical switching and routing via four-wave mixing spatial shift", Opt. Express 18, 899 (2010).
[18] Jin Li, Wenbo Liu, Liang Li, Yan Zhao, Hua Liu, Taikun Liu, Huaibin Zheng, and Yanpeng Zhang, "All-optical Routing and Space Demultiplexer via Four-wave Mixing Spatial Splitting ", Appl. Phys. B 106, 365 (2012).
[19] Zhiguo Wang, Yanpeng Zhang, Peiying Li, Suling Sang, Chenzhi Yuan, Huaibin Zheng, Changbiao Li, and Min Xiao, "Observation of Polarization-Controlled Spatial Splitting of Four-Wave Mixing in a Three-Level Atomic System", Appl. Phys. B 104, 633 (2011).
[20] Ruimin Wang, Yigang Du, Yanpeng Zhang, Huaibin Zheng, Zhiqiang Nie, Changbiao Li, Yuanyuan Li, Jianping Song, and Min Xiao, "Polarization spectroscopy of dressed four-wave mixing in a three-level atomic system", J. Opt. Soc. Am. B 26, 1710 (2009).
[21] Yigang Du, Yanpeng Zhang, Cuicui Zuo, Changbiao Li, Zhiqiang Nie, Huaibin Zheng, Meizhen Shi, Ruimin Wang, Jianping Song, Keqing Lu, and Min Xiao, "Controlling Four-wave Mixing and Six-wave Mixing in Multi-Zeeman Atomic System with Electromagnetically Induced Transparency", Phys. Rev. A 79, 063839 (2009).
[22] Huaibin Zheng, Yanpeng Zhang, Zhiqiang Nie, Changbiao Li, Hong Chang, Jianping Song, and Min Xiao, "Interplay among multi-dressed four-wave mixing processes", Appl. Phys. Lett. 93, 241101 (2008).
[23] Keqing Lu, Yanpeng Zhang, Tiantong Tang and Bo Li, "Incoherenty coupled steady-state soliton pairs in biased photorefractive-photovoltaic materials", Phys. Rev. E 64, 056603 (2001).
[24] Keqing Lu, Tiantong Tang and Yanpeng Zhang, "One-dimensional steady-state spatial solitons in photovoltaic photorefractive materials with an external applied field ", Phys. Rev. A 61, 053822 (2000).
[25] Gaoping Huang, Jia Sun, Weikang Feng, Jiamin Yuan, Zhenkun Wu, Jianan He, Yiqi Zhang, Yanpeng Zhang, “Observations of Autler-Townes Spatial Splitting of Four-wave Mixing Image”, Appl. Phys. B 112, 267 (2013)
[26] Yiqi Zhang, Milivoj Belic, Huaibin Zheng, Haixia Chen, Changbiao Li, Jianping Song, and Yanpeng Zhang, “The Nonlinear Talbot Effect from Rogue Waves”, Phys. Rev. E 89, 032902 (2014).
空间旋转孤子 空间偶极孤子

(a)电磁诱导光栅EIG,(b)具有二维周期性的(b1)折射率电磁诱导晶格EIL和(b2)电磁诱导能级晶格态,(c)电磁诱导晶格的色散关系

(d) 飞秒、阿秒相位共轭极化拍研究
[1] Yanpeng Zhang, Chenli Gan, Shahid Munir Farooqi, Keqing Lu, Xun Hou and Tiantong Tang, " Four-level polarization beats with broadband noisy light ", J. Opt. Soc. Am. B 19, 1204 (2002).
[2] Yanpeng Zhang, Cid B. de Araújo, and Edward E. Eyler, "Higher-order correlation on polarization beats in Markovian stochastic fields ", Phys. Rev. A 63, 043802 (2001).
[3] Yanpeng Zhang, Liqun Sun, Tiantong Tang and Panming Fu, "Effects of field-correlation on polarization beats", Phys. Rev. A 61, 053819 (2000).
[4] Yanpeng Zhang, Tiantong Tang, Liqun Sun and Panming Fu, "Effects of fourth-order coherence on ultrafast modulation spectroscopy", Phys. Rev. A 61, 023809 (2000).
[5] Yanpeng Zhang, Liqun Sun, Tiantong Tang and Panming Fu, "Fourth-order interference on polarization beats in a four-level system", J. Opt. Soc. Am. B 17, 690 (2000).
[6] Panming Fu, Xi Mi, Zuhe Yu, Qian Jiang, Yanpeng Zhang and Xiaofeng Li, "Ultrafast modulation spectroscopy in a cascade three-level system", Phys. Rev. A 52, 4867 (1995).
[7] Yanpeng Zhang, Chenli Gan, Chuangshe Li, Keqing Lu, Xun Hou, and Jovica Stanojevic, “Twin Markovian field correlation on four-level attosecond polarization beats”, J. Phys. B 37, 1751 (2004).
[8] Yanpeng Zhang, Chenli Gan, Jianping Song, Xiaojun Yu, Ruiqiong Ma, Hao Ge, Chuangshe Li, and Keqing Lu, "Attosecond sum-frequency Raman-enhanced polarization beats using twin phase-sensitive color locking noisy lights", J. Opt. Soc. Am. B 22, 694 (2005).
[9] Y.P. Zhang, C.L. Gan, J.P. Song, X.J. Yu, R.J. Ma, H. Ge, C.S. Li, and K.Q. Lu, "Coherent laser control in attosecond sum-frequency polarization beats using twin noisy driving fields", Phys. Rev. A 71, 023802 (2005).
[10] Yanpeng Zhang, Chenli Gan, Long Li, Ruiqiong Ma, Jianping Song, Tong Jiang, Xiaojun Yu, Chuangshe Li, Hao Ge, and Keqing Lu, "Rayleigh-enhanced attosecond sum-frequency polarization beats via twin color-locking noisy lights", Phys. Rev. A 72, 013812 (2005).
[11] Yanpeng Zhang, Chenli Gan, and Min Xiao, "Modified two-photon absorption and dispersion of ultrafast third-order polarization beats via twin noisy driving fields", Phys. Rev. A 73, 053801 (2006).
[12] Chenli Gan, Yanpeng Zhang, Zhiqian Nie, Yan Zhao, Keqing Lu, Jinhai Si, and Min Xiao, "Competition between Raman and Rayleigh-enhanced four-wave mixings in attosecond polarization beats", Phys. Rev. A 79, 023802 (2009).
[13] Y. Zhao, Z.Q. Nie, Y.P. Zhang, C.B. Li, C.Z. Yuan, X.N. Li, R.M. Wang, K.Q. Lu, and C.L. Gan, "Coexisting Brillouin, Rayleigh and Raman-enhanced four-wave mixings", J. Opt. Soc. Am. B 27, 863 (2010).
[14] Yiqi Zhang, Zhenkun Wu, Huaibin Zheng, Zhiguo Wang, Yunzhe Zhang, Hao Tian, and Yanpeng Zhang, “Controllable nonreciprocity of six-wave mixing by a moving electromagnetically induced grating”, Laser Phys. 24 (2014).
Selected Publications:
[1] Huaibin Zheng, Changbiao Li, Huayan Lan, Chengjun Lei, Dan Zhang, Yanpeng Zhang, and Min Xiao, “Seeded Spontaneous Parametric Four-Wave Mixing and Fluorescence of Pr3+:YSO”, Scientific Reports (accepted).
[2] Changbiao Li, Lele Wang, Huaibin Zheng, Huayan Lan, Chengjun Lei, Dan Zhang, Min Xiao, and Yanpeng Zhang, “All-optically controlled fourth- and sixth-order fluorescence processes of Pr3+:YSO”, Appl. Phys. Lett. 104, 051912 (2014).
[3] Yanpeng Zhang, Chenli Gan, David Battaglia, Javed Muhammad, Xiaogang Peng, and Min Xiao, "Enhanced Fluorescence Intermittency in Mn-doped single ZnSe Quantum Dot", J. Phys. Chem. C 112, 20200(2008).
[4] Yanpeng Zhang, Javed Muhammad, Chenli Gan, Carl Rodriguez, Sandeep Singh and Min Xiao, "Controlled fluorescence intermittency of CdSe-ZnS QD in a Half-cavity", Phy.Rev. B (Rapid Commun) 78, 241301(2008).
[5] Lihe Yan, Jinhai Si, Feng Chen, Sen Jia, Yanpeng Zhang, and Xun Hou, "Pump power dependence of Kerr signals in femtosecond cross pump-probe optical Kerr measurements", Opt. Express 17, 21509 (2009).
[6] Yiqi Zhang, Zhenkun Wu, Xin Yao, Zhaoyang Zhang, Haixia Chen, Huaibin Zheng, Yanpeng Zhang, “Controlling multi-wave mixing signals via photonic band gap of electromagnetically induced absorption grating in atomic media”, Opt. Express 21, 29338 (2013).
[7] Yiqi Zhang, Milivoj Belic, Huaibin Zheng, Zhenkun Wu, Yuanyuan Li, Keqing Lu, and Yanpeng Zhang, “Fresnel diffraction patterns as accelerating beams”, Europhys. Lett.104, 34007 (2013).
[8] R. M. Wang, J. L. Che, X. P. Wang, H. Y. Lan, Z. K. Wu, Y. Q. Zhang, and Y. P. Zhang, “Controllable optical vortexon of four-wave mixing and the applications”, Laser Phys. Lett. (accepted).
[9] Yuanyuan Li, Li Li, Yixin Lu, Xiaoxia Zhao, Kewei Xu, Yiqi Zhang, and Yanpeng Zhang,“Selective reflection of Airy beam at an interface between dielectric and homogeneous atomic medium”, Opt. Express 21, 8311 (2013).
[10] Zhiguo Wang, Zhengyang Zhao, Peiying Li, Jiamin Yuan, Huayan Lan, Huaibin Zheng, Yiqi Zhang, and Yanpeng Zhang, “Observation of angle-modulated switch between enhancement and suppression of nonlinear optical processes”, Opt. Express 21, 5654 (2013).
[11] C. Li, X. Shi, J. Si, F. Chen, T. Chen, Y. Zhang, X. Hou, "Photoinduced multiple microchannels inside silicon produced by a femtosecond laser", Appl. Phys. B 98, 377 (2010).
[12] Chenli Gan, Yanpeng Zhang, Min Xiao, David Battaglia, and Xiaogang Peng, "Fluorescence Lifetime of Mn-doped ZnSe Quantum Dots With Size Dependence", Appl. Phys. Lett. 92, 241111 (2008).
[13] Ruimin Wang, Yanpeng Zhang, Chenli Gan, Javed Muhammad, and Min Xiao, "Controlling blinking in multilayered Quantum Dots", Appl. Phys. Lett. 96, 151107 (2010).
(f)里德堡态局域堵塞多波混频及其在量子逻辑门方面的应用
[2] D. Tong, S.M. Farooqi, J. Stanojevic, S. Krishnan, Y.P. Zhang, R. Cote, E.E. Eyler, and P.L. Gould, “Local Blockade of Rydberg Excitation in an Ultracold Gas”, Phys. Rev. Lett. 93 , 063001 (2004).
[3] S. M. Farooqi, D. Tong, S. Krishnan, J. Stanojevic, Y.P. Zhang, J.R. Ensher, A.S. Estrin, C. Boisseau, R. Cote, E.E. Eyler, and P.L. Gould, “Long-Range Molecular Resonances in a Cold Rydberg Gas”, Phys. Rev. Lett. 91, 183002 (2003).
[4] Huaibin Zheng, Yan Zhao, Chenzhi Yuan, Zhaoyang Zhang, Junling Che, Yiqi Zhang, Yunguang Zhang, and Yanpeng Zhang, “Dressed multi-wave mixing process with Rydberg blockade”, Opt. Express 21, 11728(2013).
[5] Cheng Li, Huaibin Zheng, Zhaoyang Zhang, Xin Yao, Yunzhe Zhang, Yiqi Zhang, and Yanpeng Zhang, “Electromagnetically induced transparency and Fluorescence in Blockaded Rydberg atomic system”, J. Chem. Phys. 139, 164316 (2013).
[6] Yiqi Zhang, Milivoj Belic, Huaibin Zheng, Zhenkun Wu, Keqing Lu, Yuanyuan Li, and Yanpeng Zhang, “Soliton pairs generated through interactions of Airy beams in nonlinear medium ”, Opt. Lett. 38, 4585 (2013).
[7] Lan Lou, Feng Wen, Mengzhe Qin, Jianan He, Yanpeng Zhang, Min Xiao, “Coherent Control of Multi-Wave Mixing in Atomic Media”, Prog. in Phys. 33, 87 (2013). (cover paper, invited paper)
[8] Zhenkun Wu, Yiqi Zhang, Chenzhi Yuan, Feng Wen, Huaibin Zheng, Yanpeng Zhang, “Cubic-quintic condensate solitons in four-wave mixing” , Phys. Rev. A 88(6), 063828 (2013).
[9] Huaibin Zheng, Changbiao Li, Huayan Lan, Chengjun Lei, Dan Zhang, Yanpeng Zhang and Min Xiao, “Excitation blockade of Rydberg six-wave mixing process”, New J. Phys. (accepted).
[10] Yanpeng Zhang, Feng Wen and Min Xiao, Quantum Control of Multi-Wave Mixing , (Wiley-Blackwell, 2013).
[11] Yanpeng Zhang, Zhiqiang Nie and Min Xiao, Coherent Control of Four-Wave Mixing (Springer-Verkag, Berlin, New York, 2011).
[12] Yanpeng Zhang and Min Xiao, "Multi-Wave Mixing Processes", (Springer-Verkag, New York, 2009).
[1] Xin-wei Zha, Chenzhi Yuan, and Yanpeng Zhang, "Generalized Criterion of Maximally Multi-Qubit Entangled state", Laser Phys. Lett. 10, 045201 (2013).
[2] Haixia Chen, Mengzhe Qin, Yiqi Zhang, Xun Zhang, Feng Wen, Jianming Wen, and Yanpeng Zhang, “Parametric amplification of dressed multi-wave mixing in atomic ensemble”, Laser Phys. Lett. 11, 045201 (2014).
[3] Huaibin Zheng, Xun Zhang, Zhaoyang Zhang, Yaling Tian, Haixia Chen, Changbiao Li, and Yanpeng Zhang, “Parametric Amplification and Cascaded-Nonlinearity Processes in Common Atomic System”, Scientific Reports 3, 1885 (2013).
[4] Huaibin Zheng, Xun Zhang, Changbiao Li, Huayan Lan, Junling Che, Ying Zhang and Yanpeng Zhang, “Suppression and enhancement of coexisting super-fluorescence and multi-wave mixing processes in sodium vapor”, J. Chem. Phys. 138, 204315(2013).
[5] Haixia Chen, Yiqi Zhang, Xin Yao, Zhenkun Wu, Xun Zhang, Yanpeng Zhang and Min Xiao, Scientific Reports 4, 3169 (2014).
[6] Zhiguo Wang, Peng Ying, Peiying Li, Dan Zhang, Heqing Huang, Hao Tian and Yanpeng Zhang, Scientific Reports 3, 3417 (2013)
[7] Jiamin Yuan, Weikang Feng, Peiying Li, Xun Zhang, Yiqi Zhang, Huaibin Zheng, and Yanpeng Zhang, "Controllable vacuum Rabi splitting and optical bistability of multi-wave mixing signal inside a ring cavity", Phys. Rev. A 86, 063820 (2012).
[8] H. B. Zheng, U. Khadka, J. P. Song, Y. P. Zhang, and M. Xiao, "Three-field noise correlation via third-order nonlinear optical processes", Opt. Lett. 35, 3420 (2010).
[9] J. M. Wen, S. W. Du, Y. P. Zhang, M. Xiao and M. H. Rubin, "Nonclassical light generation via a four-level inverted-Y system", Phys. Rev. A 77, 033816 (2008).
[10] Gaoping Huang, Jia Sun, Weikang Feng, Jiamin Yuan, Zhenkun Wu, Jianan He, Yiqi Zhang, Yanpeng Zhang, “Observations of Autler-Townes Spatial Splitting of Four-wave Mixing Image”, Appl. Phys. B 112, 267(2013).
[11] Zhiguo Wang, Peiying Li, Zhaoyang Zhang, Chengjun Lei, Furong Lei, Haixia Chen, and Yanpeng Zhang, “Comparison of Ultranarrow Fluorescence and Four-Wave Mixing in Electromagnetically Induced Transparency Windows”, IEEE Photonics J. 5, 2600311 (2013).
[12] Huayan Lan, Jia Sun, Zhenkun Wu, Dan Zhang, Yiqi Zhang, Huaibin Zheng, Yanpeng Zhang, “Spatial four wave mixing, probe images and fluorescence signals in dressed three-level system”, J. Phys. Soc. Jpn. 82, 104401 (2013).
[13] Jia Sun, Zhenkun Wu, Yiqi Zhang, Taikun Liu, Cheng Li, Chengjun Lei, Shuli Huo, and Yanpeng Zhang, “Comparison of Dressed Fluorescence and Four-wave Mixing in Multi-level Systems”, J. Opt. Soc. Am. B 30, 1885 (2013).
[14] Zhaoyang Zhang, Yunzhe Zhang, Feng Wen, Haixia Chen, Weikang Feng, Huaibin Zheng, and Yanpeng Zhang, “Controllable nonlinear optical processes in six-wave mixing and fluorescence channels”, J. Phys. B 47 (2014).
[15] Xin Yao, Haixia Chen, Zhenkun Wu, Feng Wen, Dan Zhang, Xin He, and Yanpeng Zhang, “Vacuum Induced Enhancement and Suppression of Six-Wave Mixing in a Ring Cavity”, Laser Phys. Lett. 11, 045401 (2014)

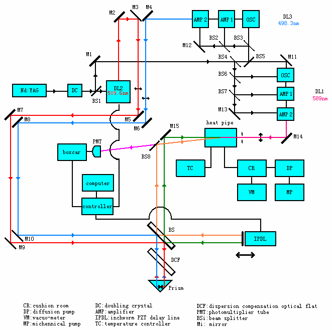
(a) 环形腔多波混频实验光路图,能级图(b1和b2)和空间相位相配过程(b3)
目前,我们还开发外腔式半导体激光器的主振模块,功率放大模块,和激光锁频模块及其配套电源。