部分项目成果展示(大数据、智能软件工程、嵌入式系统):
1. 大型工厂风险控制可视化分析平台
目标:面向大型工厂(如化工、电力),基于微服务框架Blade X(Spring Cloud)和虚幻引擎,研发一套基于大型工程三维模型的可视化、探头覆盖率计算、探头覆盖区域可视化分析等功能为一体风险分析可视化平台。


2. 大型工厂报警信息大数据分析与可视化平台
目标:针对大型工厂生产(信息)系统产生的海量报警数据,应用大数据技术进行报警信息智能分析及可视化展示。


3. 智能扳手控制管理与大数据分析平台
目标:面向高端装备行业,研发一套包含硬件模块(嵌入式系统)、手机APP、PC端软件以及Web管理系统为一体的智能扳手控制管理与大数据分析平台。





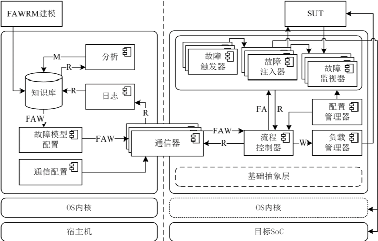
4. 面向嵌入式系统的智能测试与可靠性保障
目标:针对工作于航天航空等领域的以SoC为核心的嵌入式系统,为保证其可靠性,进行细粒度故障注入、DMA容错、Cache容错等方法的研究,并开发相关软件。



5. 智能软件工程----测试方面
目标:针对软件工程领域需求,应用机器学习/深度学习进行智能软件测试方法(测试用例自动生成、软件缺陷/漏洞预测、自动软件Bug修复等)研究、智能软件测试工具研发。






6. 智能软件工程----定制化软件开发方面
目标:针对软件工程需求,采用智能方法进行定制化软件开发。





更多项目成果信息,请直接与杜老师联系:xzdu@xjtu.edu.cn。
部分专利:
- 一种燃煤电厂的控制逻辑最长执行时间的预测方法及系统,授权,202110649683.3
- 一种面向智慧燃煤电厂的基于发布订阅的数据通信方法,授权,ZL202010745659.5
- 基于关键程度划分的并发活动图测试场景生成方法及系统,授权,202110699531.4
- 基于路径覆盖的通信确定MPI并行程序测试数据生成方法,受理中,202110082992.7
- 一种基于尺度空间的图像对比度增强方法,受理中,202011477203.1
- 一种面向燃煤电厂的智能报警抑制方法及系统,授权,202010550713.0
- 一种新型计算机软件测试装置,授权,ZL201820656023.1
部分软著:
- 市级小区实有信息与实时记录汇聚平台,2021SR0538754
- 人脸识别相机数据采集与上传软件,2021SR0988702
- SoC单粒子效应测试系统,2020SR1096313
- 面向SoC的细粒度软件故障注入系统,2020SR1096306
- 挡土墙设计优化系统,2021SR1092488
- 面向智慧燃煤电厂的组态系统,2021SR0974178
- 作业管理系统,2019SR0065447
- 实验室综合管理系统,2019SR0065434
- 面向材料涂层企业的生成过程管理系统,2018SR559992
- 基于Java Web的PDF加密分发与来源追踪系统,2018SR578860
- 智慧园区轻量级新型服务平台,2018SR559662




